Under Construction

Icom IC-7300 Hot-switch Mitigation

The Issue

The Icom IC-7300 was released with a flaw in its external amplifier keying circuit apparently caused by an incorrect timing parameter programmed into the SEND relay logic.  The SEND jack on the rear of the transceiver is used to key an external linear amplifier on and off in synchrony with the IC-7300 RF output as mitigated by the Menu/Set/Function TX Delay parameter.  That parameter sets the time the RF output is delayed from the time the transmitter is keyed on until RF output begins.  (The TX Delay parameter sets the time the RF output is delayed from the time the transmitter is keyed on, which is not what is addressed in this article; the TX Delay functions nominally as expected.  This article is concerned with the RF output continuing beyond the time the transmitter is keyed off, termed an RF-tail, causing hot-switching of external linear amplifier.)

Unfortunately, there is no similar user adjustable menu setting for controlling the delay time from when the transmitter ceases RF output and the SEND jack commands an external amplifier off.  Because the IC-7300 continues to output RF energy while an external amplifier is in the process of switching off, the amplifier's TR/RX relay is subject to hot-switching and the concomitant possibility of arcing at the relay contact points, or worse yet, welding together of those points resulting in the amplifier taken out of service. 

This RF-tail issue has been extensively addressed for years by Amateur operators on both the IC-7300 discussion group, and QRZ.COM Forum.  Below is finally a possible hardware solution to the hot-switching issue originally suggested by Frank Johnson (G0GSR).

Frank used his oscilloscope to observe the timing of the IC-7300 RF output compared to the SEND relay's opening to switch the external amplifier off.  Here's what he found:



The above o'scope trace shows RF output continuing for ≈3.86 milliseconds after the SEND relay has commanded the amplifier off, thus the amplifier is switching hot RF energy that has the potential to cause arcing of the amplifier's TX/RX relay contacts. 
"From the oscilloscope trace, if the antenna relay had been opening early, the output RF would have been abruptly cut-off and it wasn't; it decayed in a controlled manner before the contacts opened."
Frank further suggested this possible fix:
"If the logic drive signal for the antenna changeover relay [RL801] driver transistor [Q778] was logic OR'd to that of the SEND relay [RL101] driver [Q101 input] via a diode, the SEND relay would be held energized until the antenna changeover relay was also de-energized. This would not affect the closing of the SEND relay and any TX delay setting, just the [SEND] relay's opening time.  The antenna changeover relay's timing is correct; it ceases "
With the aid of the IC-7300 schematic circuit diagram provided by Icom, I will attempt to illustrate this possible fix in more detail below. 

Proposed Fix

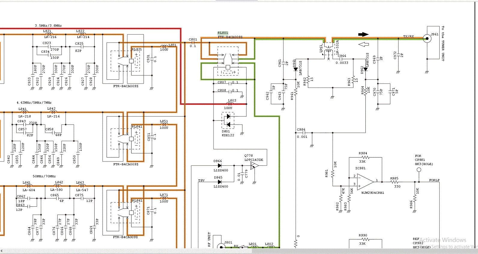
IC-7300_AntennaChangeoverRelay_RL801_large This PA Unit schematic circuit drawing shows the IC-7300 Antenna Changeover Relay RL801 at the top center and its driver transistor Q778 below it.  It is the output of Q778 that is proposed to be connected to the cathode of the new ORing diode.

Relay Parameters:
Coil Resistance: 979 Ω
Must Close: 6.75 VDC
Must Open: 0.9 VDC

Driver Parameters:
Maximum Collector Current:100 mAdc
PA UNIT B-8328B (PCB TOP VIEW) Changeover Relay RL801 This PA Unit PC board component side layout drawing shows the location of the IC-7300 Antenna Changeover Relay RL801 on the right-hand side of the drawing at H72.  Its driver transistor Q778 is shown at V89.
RL801PCB_Screenshot_2021-02-07 IC-7300 SERVICE MANUAL - IC-7300_SM_0 pdf  PA Unit PC board component side Antenna Changeover Relay RL801 driver transistor Q778 is shown at V89.  (Alternate view.)
PA Unit Component Side showing change over relay RL801 and driver Q778 PA Unit PC board component side image showing Antenna Changeover Relay RL801 and its driver Q778 at the top of image. 

The Send/Receive changeover relay RL801 (Type: FTR-B4CA009Z , depicted on the PA Unit PA2 drawing in the top right area) operates correctly, but the external amplifier SEND relay located on the RF Unit PC board remains on while the IC-7300 continues to output RF energy causing an RF-tail.

It is the output of Q778 that is proposed to be connected to the cathode of the new ORing diode.
IC-7300 RF UNIT Send Relay RL101 circuit This RF Unit schematic circuit drawing shows the IC-7300 external amplifier SEND relay RL101 at the left with the RL101 relay driver Q101 to the right of it. 

It is the input of Q101 (HSENI line ) that is proposed to be connected to the anode of the new ORing diode.  The IC-7300 schematic circuit diagrams indicate (on page 8), that the HSENI line that controls the SEND relay originates in IC301, the Main ARM CPU type R7S721000VCFP.  
This RF Unit PC board Component Side layout drawing shows the location of the IC-7300 external amplifier SEND relay RL101 at the lower right and the Q101 relay driver below it. 

It is the input of Q101 that is proposed to be connected to the anode of the new ORing diode.
  RF Unit  Component Side IC-7300 SEND relay RL101   RF Unit PC board Component Side showing IC-7300 SEND relay RL101 and its driver Q101 at the top of this image.

It is the input of Q101 that is proposed to be connected to the anode of the new ORing diode.
 
  Relay driver internal circuit   IC-7300 relay drivers Q101 and Q477 are part number LRC-LDTC143ZET1G, the internal circuit schematic of which is shown in this image.  LRC-LDTC143ZET1G Data Sheet

This information is provided for a complete understanding of the electrical circuit.
 
IC-7300 Chassis Layout IC-7300 Chassis Layout showing the physical location of the PA Unit PC board and the RF Unit PC board.  These boards are located on the top of the IC-7300 chassis, and appear to shielded from each other.

The proposed ORing diode is to be connected between the PA Unit PC board and the RF Unit PC board.  To reduce the possibility of unwanted RF coupling through the new diode, it is recommended that the diode be sleeved with copper braid electrically isolated from the diode and connected to chassis ground.  If the total length of the diode and its leads are within a piece of heat-shrink tubing, perhaps a piece of RG-174 with its center conductor removed could be slid over the insulated diode to effect the desired shielding.  Then the shield braid could be electrically connected to chassis ground while braid ends are free from any electrical contact.
IC-7300-Hot-Switch-Mitagation-circuit--.gif This drawing shows the proposed hot-switch mitigation circuit.  The cathode of new ORing diode D-OR is connected to the output of changeover relay RL801 driver Q788 and its anode is connected to the output of SEND relay RL101 driver Q101.  The images below show the connection points at the relay coil PCB connections.  The interconnect between the RF Unit and PS Unit is made with RG-174, the shield of which is connected to chassis ground on each PCB respectively. 
  RF PCB Attachment Point   These two drawings show the points at which the proposed ORing diode is connected to the relay coils points on the PCBs.  Although these drawings depict the top of the PCBs, the connections are to be made on the bottom side of the PCBs with RG-174 coaxial cable.  The center conductor connects to the points indicated in red, and the shield is soldered to the chassis ground.   PA Unit PCB Attachment Point  
  IC-7300 Hot-Switch Mitagation circuit   So, this mitigation circuit consists of installing a new 1N914 diode (shielded as described below) between the PA Unit and RF Unit boards . 

The cathode of the new diode is connected to the output of the IC-7300 Antenna Changeover Relay RL801 driver transistor Q778 located on the PA Unit  . 

The anode of the new diode is connected to the output of the IC-7300 SEND relay RL101 driver transistor Q101 located on the RF Unit effectively ORing it as described above.
 
1N914 Diode dimensions REVISE THIS SECTION!
The drawing to the left indicates that the OD of the 1N914 diode is ≈0.06 inches. 

The drawing on the right indicates that the ID of the shield braid is ≈0.06 inches.

So, the coax should sleeve over the diode without too much difficulty.
  RG-714 dimensions 
40x1 Machine Pin Header Some means of plugging this diode jumper between PCBs should be developed.  I'm thinking that a machined DIP socket terminal might be soldered to the RF Unit, and the coaxial cable interconnect shield and center conductor could be solder terminated at the PA Unit.  The diode could be soldered to the RF Unit end of the cable center conductor, and the diode lead (cut short) could be directly plugged into the new socket on the RF Unit.

   Update July 23, 2022:   FCC Commercial certificate holder Bill (W1BG) kindly provided these before and after  o'scope traces.  
"Hi Larry.
I did the mod and it works perfectly! Thanks so
much for sharing.

73 - Bill
W1BG"

wdgarf@gmail.com
 
            Unmodified: Hot Switch                                    Modified: Hot-Switch Remediated
 
 
  "W9AC is correct, as the two relays should be timed exactly the same.The relay drivers are open collector so can be paralleled.

Frank"
  This message posted July 24, 2022 on QRZ.com

I agree.


The diode was "just in case". It was easier to include a diode than do proper testing to find out if it was required.


I thought that Icom may be doing something odd with the amp relay closeure timing.

They are driving the two relays separately from two logic signals for some reason known only to themselves?


The same is happening on the IC-9700 and IC-705 which both also have the amp timing fault.

Frank
 
 
 
 

Contact

 
  This page last updated:   © Copyright L. Dighera February 7, 2021